I. Program ćwiczenia:
- Pomiary omomierzami:
a.analogowym
b) cyfrowym
- Pomiary dużych rezystancji megaomomierzem induktorowym.
- Pomiary mostkami technicznymi:
a.mostek Wheatstone'a
b) mostek Thomsona
- Wyznaczanie rezystywności drutu oporowego.
- Pomiar rezystancji wewnętrznej akumulatora.
II. Opracowanie wyników:
Ad.1 Pomiary omomierzami
Pomiar został wykonany dla oporników B, C, D, E, F, L. Pomiaru pozostałych oporników nie wykonaliśmy, ponieważ otrzymane wyniki mieściły się poza zakresem użytych mierników. Użyty omomierz analogowy (magnetyczny, szeregowy) pozwalał dokonywać pomiarów na trzech zakresach: x1, x10, x100. Jako wynik pomiaru podaliśmy wartość odczytaną z podziałki miernika z uwzględnieniem mnożnika zakresu oraz wartość błędu wynoszącą 10% wartości mierzonej. Jako omomierz cyfrowy został użyty multimetr cyfrowy VC-10T. Ustawiliśmy multimetr by mierzył rezystancję. Zmieniając zakres pomiarowy 0.2-2-20-200 dokonaliśmy pomiaru rezystancji. Wartość błędu obliczyliśmy korzystając ze wzoru: DRx = 0,2% wartości mierzonej + 0,1% zakresu
|
Oznaczenie rezystora
|
Omomierz analogowy
|
Omomierz Cyfrowy
| ||
|
Rx [W]
|
DRx [W]
|
Rx [W]
|
DRx [W]
| |
|
A
|
Poza zakresem
| |||
|
B
|
9
|
0,9
|
82,7
|
0,165
|
|
C
|
3170
|
317
|
3080
|
6,18
|
|
D
|
5600
|
560
|
5420
|
10,86
|
|
E
|
250
|
25
|
261
|
0,522
|
|
F
|
50
|
5
|
44,4
|
0,089
|
|
K
|
Poza zakresem
| |||
|
L
|
10
|
1
|
10,4
|
0,021
|
Ad.2 Pomiary dużych rezystancji megaomomierzem induktorowym.
Pomiaru dokonano na rezystorach oznaczonych jako A i K. Niestety nie zdążyliśmy przeprowadzić pomiaru metodą porównawczą i nie jest możliwe wyliczenie błędu pomiaru. Błąd pomiaru należy policzyć w następujący sposób:
gdzie: RM - wartość rezystancji zmierzona megaomomierzem
RP - wartość tej samej rezystancji zmierzona za pomocą metody porównawczej
(porównanie prądów)
Dla rezystora A otrzymano 7 MW, a dla rezystora K 4 MW.
Ad.3 Pomiary mostkami technicznymi.
Pomiar mostkiem Wheatstone'a.
Wartość mierzonej rezystancji R x obliczana jest ze wzoru:
R x = a * m.
gdzie:
a - wartość odczytywana na tarczy sprzężonej z pokrętłem,
m - aktualnie nastawiona wartość mnożnika
Wartości błędu dmax % zdefiniowanego jako:
dmax
|
dmax[%]
|
Mnożnik "m"
|
|
3,34
|
0,01
|
|
1,63
|
0,1
|
|
1,8
|
1
|
|
0,4
|
10
|
|
2,2
|
100
|
|
2,85
|
1000
|
gdzie:
Rm. - wartość zmierzona mostkiem
Rp. - wartość poprawna
Rmax - wartość maksymalna dla danego zakresu
|
Oznaczenie rezystora
|
mnożnik m
|
odczyt a
|
Rx [W]
|
dRx
|
|
B
|
1
|
84
|
84
|
1,512
|
|
C
|
10
|
300
|
3000
|
12
|
|
D
|
10
|
540
|
5400
|
21,6
|
|
E
|
1
|
260
|
260
|
4,68
|
|
F
|
1
|
46
|
46
|
0,828
|
|
G
|
0,1
|
87
|
8,7
|
0,14181
|
|
L
|
0,01
|
100
|
1
|
0,0334
|
Pomiar mostkiem Thomsona.
W tym punkcie mierzone wielkości wyznaczone
zostały w sposób analogiczny jak w punkcie poprzednim.
|
dmax[%]
|
Mnożnik "m"
|
|
1,16
|
0,001
|
|
1,13
|
0,01
|
|
2,0
|
0,1
|
|
1,3
|
1
|
|
Oznaczenie rezystora
|
mnożnik m
|
odczyt a
|
Rx [W]
|
dRx
|
|
I
|
0,1
|
1,45
|
0,145
|
0,00261
|
|
G
|
1
|
0,625
|
0,625
|
0,0025
|
|
H
|
0,1
|
0,65
|
0,065
|
0,00026
|
|
przew. montażowy
|
0,01
|
3,6
|
0,036
|
0,000648
|
Ad. 4 Wyznaczanie rezystywności drutu oporowego.
Drut oporowy (rezystor I) został zmierzony w poprzednim podpunkcie za pomocą technicznego mostka Thomsona.
Rx = 0,145 ± 0,0026 W
d = 1,525 ± 0,0001 mm
l = 145 ± 0,5 mm
Wartość rezystywności liczę ze wzoru:
[Wm]
Błąd pomiaru obliczę stosując prawo przenoszenia błędu:
[Wm]
Otrzymane wyniki:
r = 1,82654E-06 Wm
Dr = 4,14247E-08 Wm
| | |
| | ![]() |
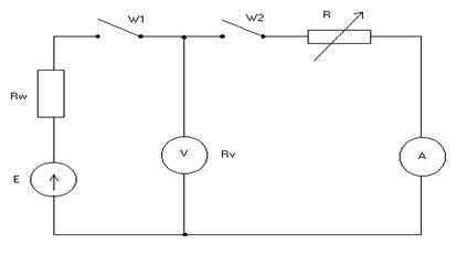
Obwód połączyliśmy według powyższego schematu. Pomiar napięcia wykonano multimetrem VC -10T. Natomiast natężenie prądu amperomierzem magnetoelektrycznym klasy 0,5.
Z mierników odczytaliśmy wartości:
I - prąd płynący w obwodzie obciążenia
U1 - jest wartością napięcia gdy źródło nie jest obciążone
U2 - jest wartością napięcia gdy źródło obciążone jest rezystancją R
Wartość rezystancji wewnętrznej akumulatora wyznaczyłem ze wzoru:
[W]
Błąd wyznaczyłem na podstawie prawa przenoszenia błędów znając klasę amperomierza i błędy pomiarów obu napięć obliczone wg danych z instrukcji technicznej multimetru VC10T.
Błąd wyznaczono na podstawie wzoru:
[W]
|
Napięcie znam. akum. [V]
|
I [A]
|
U1[V]
|
U2[V]
|
Rw[W]
|
DRw[W]
|
|
2,4
|
0,41
|
2,42
|
2,34
|
0,195
|
0,01181
|
|
4,8
|
0,4
|
4,95
|
4,87
|
0,2
|
0,02475
|
|
6
|
0,5
|
6,22
|
6,06
|
0,32
|
0,02488
|
III. Wnioski
W przeprowadzonym ćwiczeniu mieliśmy okazje porównać różne metody wyznaczania rezystancji. Przy pomiarach omomierzami nie udało mi się zmierzyć rezystancji kilku elementów ponieważ przyrządy nie dysponowały odpowiednimi zakresami pomiarowymi . Dotyczyło to zarówno rezystancji bardzo dużych jak i bardzo małych. Jak widać z zamieszczonych tabelek największą dokładnością cechuje się metoda pomiaru rezystancji omomierzem cyfrowym. Największą zaś niedokładność wykazuje metoda pomiaru omomierzem analogowym oraz megaomomierzem. Są to przyrządy analogowe dlatego na błędy i niedokładność pomiaru duży wpływ ma błąd paralaksy i niedokładność odczytu z podziałki.
Wartości rezystancji elementów mierzyliśmy również za pomocą mostków. Używaliśmy dwóch przyrządów :
- mostek Wheatstone'a - do pomiaru dużych rezystancji
- mostek Thomsona - do pomiaru małych rezystancji
Mostki te ze względu na swój charakter mają pewne ograniczenia wykluczające możliwość pomiaru niektórych rezystancji ( zbyt dużych lub zbyt małych ) . Mimo że pomiary mostkami są bardzo dokładne nie udaje się jednak wyeliminować wszystkich błędów . Pochodzą one między innymi od wykonania rezystancji gałęzi mostków, niedostatecznej czułości galwanometru, sił termoelektrycznych, zmian rezystancji wskutek zmian temperatury, rezystancji przewodów łączących i styków czy upływności izolacji .
Dość duży błąd pomiaru zaobserwowałem w ćwiczeniu z pomiarem rezystancji wewnętrznej akumulatora. W celu zmniejszenia wartości błędu należy dążyć do uzyskania możliwie dużej różnicy napięć U1 i U2.
Ćwiczenie uważam za przeprowadzone pomyślnie, rozważania teoretyczne dotyczące pomiarów rezystancji zostały potwierdzone doświadczalnie.

