I. Program ćwiczenia:
- Pomiar pojemności kondensatora metodą techniczną.
- Pomiary parametrów R i L dławika z wykorzystaniem watomierza, amperomierza i woltomierza:
a. z poprawnym pomiarem napięcia
b) z poprawnym pomiarem prądu
II. Opracowanie wyników:
Ad.1 Pomiar pojemności kondensatora
Zestawiliśmy układ według poniższego schematu :
Do pomiaru użyliśmy następujących przyrządów:
- multimetr V560, zakres 100mA, RA = 1Ω, bezwzględny błąd pomiaru: ±(0,5% wartości mierzonej +0,2% zakresu)
- woltomierz elektromagnetyczny, kl. 0,2; zakres 30 V, RWE = 20Ω/V
- Generator napięcia sinusoidalnego 800Hz ±1%
Otrzymaliśmy następujące wyniki:
|
U [V]
|
DU [V]
|
I [mA]
|
DI [mA]
|
CX [μF]
|
CXA [μF]
|
DCx met [μF]
|
DCX [μF]
|
dCX [%]
|
|
29,76
|
0,06
|
72,3
|
0,5615
|
0,48356
|
0,48332
|
2,433E-4
|
6,196E-3
|
1,28
|
Przy wyznaczaniu pojemności Cx skorzystałem z następujących zależności:
Błąd pomiaru wynikający z klas przyrządów wyliczyłem z następującego wzoru:
Przy wyliczaniu pozostałych wartości skorzystałem ze wzorów:
,
,
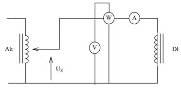
Ad.2 Pomiar parametrów L i R dławika
Pomiarów dokonaliśmy w układach zestawionych według poniższych schematów:
a) układ z poprawnie mierzonym napięciem
b) układ z poprawnie mierzonym prądem
Do pomiaru użyliśmy następujących przyrządów:
- woltomierz elektromagnetyczny, kl. 0.2, zakres 60V
- multimetr V560, zakres 1000mA, RA = 0,1Ω, bezwzględny błąd pomiaru ±(0,5% wartości mierzonej. +0,2%zakresu)
- watomierz elektrodynamiczny, kl. 0,5, zakres prądowy: 1A, zakres napięciowy: 60V, RA = 1,15Ω, RV = 2000Ω
- autotransformator, f = 50[Hz], U = 60V
Wyniki pomiarów wraz z wynikami obliczeń zestawione są w poniższej tabeli:
| |
U [V]
|
I [mA]
|
P [W]
|
R [W]
|
DR [W]
|
dR [%]
|
L [mH]
|
DL [mH]
|
dL [%]
|
|
a)
|
57,6
|
806
|
19
|
29,247
|
0,636
|
2,175
|
176,662
|
3,559
|
2,014
|
|
b)
|
58,4
|
802
|
11
|
17,102
|
0,533
|
3,114
|
215,783
|
3,059
|
1,418
|
Do obliczeń użyłem następujących zależności:
Rezystancja dławika:
,
,
Impedancja obwodu:
Reaktancja dławika:
Indukcyjność:
,
Jednym z głównych celów ćwiczenia było wytypowanie właściwej wersji układu pomiarowego ze względu na błąd metody. Na podstawie błędów względnych wyliczonych wcześniej można stwierdzić iż:
Dla układu z poprawnie mierzonym napięciem: dR[%] + dL[%] = 4,19[%]
Dla układu z poprawnie mierzonym prądem: dR[%] + dL[%] =4,532[%]
Właściwą wersją układu pomiarowego jest zatem układ z poprawnie mierzonym napięciem, potwierdza to nasze rozważania, odnośnie wyboru wersji układu przeprowadzone przed rozpoczęciem ćwiczenia.
Impedancja dławika na podstawie parametrów znamionowych wynosi:
Rezystancja graniczna wynosi:
;
RA=100mV/1A=0,1Ω; RV=20kΩ/V (300 kΩ)
RAW = 1,15 Ω; RUW = 2000 Ω
Zachodzi więc nierówność: Rg>Z, co jest warunkiem dla układu z poprawnie mierzonym napięciem.
III. Wnioski
W podpunkcie pierwszym pomiaru dokonaliśmy w układzie z poprawnym pomiarem prądu. Zakładając, że kondensator jest dwójnikiem szeregowym (R≈0, tgδ≈0), wówczas spadek napięcia na reaktancji kondensatora jest wielokrotnie większy niż spadek napięcia na rezystancji amperomierza.
Pomiary metodami technicznymi są stosunkowo proste, nie wymagają skomplikowanych przyrządów pomiarowych, co niestety okupione jest niewielką dokładnością pomiarów. Dlatego stosowane są jako wstępne oszacowania przed głównymi pomiarami, wykonywanymi najczęściej metodami mostkowymi.
Podsumowując, przeprowadzone ćwiczenie uważam za udane, rozważania teoretyczne potwierdziły słuszność wyboru odpowiedniej metody pomiaru parametrów L i R dławika.
