Sprawozdanie z Laboratorium Elektroniki i Teorii Obwodów
Temat ćwiczenia: Badanie bramek NAND rodziny TTL
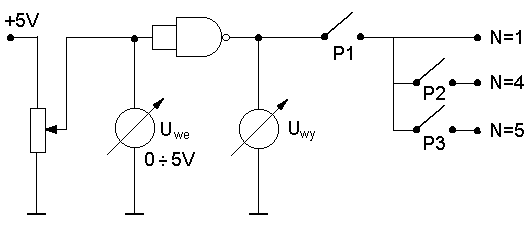
- Pierwszym zadaniem było zdjęcie charakterystyki przejściowej bramki NAND TTL, czyli zależności funkcyjnej UWY = f (UWE), dla obciążenia równego N = 0 i N = 10, gdzie N jest liczbą dołączonych równolegle bramek. Charakterystykę zdejmowaliśmy przy wykorzystaniu układu jak na rysunku poniżej:
Aby zrealizować założenia ćwiczenia dokonaliśmy pomiarów napięć kolejno dla obciążeń N = 0 oraz N = 10, a następnie otrzymane wyniki umieściliśmy w tabeli, oraz na podstawie uzyskanych punktów za pomocą programu Origin uzyskaliśmy wykres interesującej nas zależności funkcyjnej.
|
Uwe [V]
|
Uwy [V], N=0
|
Uwy [V], N=10
|
|
0.0
|
2.86
|
2.86
|
|
0.2
|
2.86
|
2.86
|
|
0.4
|
2.85
|
2.85
|
|
0.6
|
2.72
|
2.72
|
|
0.8
|
2.45
|
2.45
|
|
1.0
|
2.15
|
2.15
|
|
1.2
|
1.10
|
1.30
|
|
1.4
|
0.00
|
0.10
|
|
1.6
|
0.00
|
0.10
|
|
1.8
|
0.00
|
0.10
|
|
2.0
|
0.00
|
0.10
|

Przy napięciu wejściowym 1.2 V obciążenie jednej bramki dziesięcioma innymi bramkami owocuje zwiększeniem napięcia wyjściowego, w stosunku do napięcia wyjściowego, w czasie gdy bramka nie jest w ogóle obciążona.
- Kolejnym zadaniem było wyliczenie średniego czasu propagacji dla bramek logicznych rodzin TTL oraz MOS.
Czas propagacji liczymy ze wzoru:
tPRŚR = ( t1 - t2 ) ÷ 2k,
gdzie:
t1 jest czasem propagacji przy dodatnim zboczu
t2 jest czasem propagacji przy ujemnym zboczu
k stanowi liczbę bramek połączonych szeregowo
a) wyliczony przez nas średni czas propagacji dla bramki rodziny TTL
k = 20
1 cm (podziałka na oscyloskopie) = 20 ns
t1 = 6.5 cm * 20 ns/cm = 130 ns
t2 = 6.5 cm * 20 ns/cm = 130 ns
tPRŚR= (130ns + 130ns) ÷ (2 * 20) = 6.5 ns
b) wyliczony przez nas średni czas propagacji dla bramki rodziny MOS
k = 10
1 cm (podziałka na oscyloskopie) = 20 ns
t1 = 5.1 cm * 20 ns/cm = 108 ns
t2 = 7.4 cm * 20 ns/cm = 148 ns
tPRŚR= (108ns + 148ns) ÷ (2 * 10) = 12.8ns
Porównując ze sobą średnie czasy propagacji bramek rodzin TTL oraz MOS dowiedliśmy, że bramki rodziny TTL są dwa razy szybsze od bramek rodziny MOS
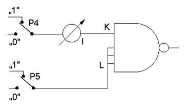
3. W kolejnej części ćwiczenia obserwowaliśmy zależność wejściowego prądu bramki od stanu badanego wejścia oraz od stanów wejść pozostałych. Do obserwacji użyliśmy układu przedstawionego na rysunku poniżej:

Tabela zależności, którą otrzymaliśmy przedstawiona jest poniżej
|
P4 / K
|
P5 / L
|
I
|
|
1
|
1
-
0
|
4.2 μA
4.2 μA
5.5 μA
|
|
0
|
1
-
0
|
0.875 mA
0.875 mA
0.135 mA
|
W przypadku, gdy na K znajduje się stan 0, natomiast na L stan 1, to wartość natężenia prądu jaki zmierzyliśmy wynosiła 0.875 mA. Identyczny prąd płynie przy takiej samej wartości K oraz L w stanie -. Jeżeli oba wejścia K i L są w stanie 0, to prąd dzieli się na wszystkie z wejść i dlatego na wyjściu obserwujemy mały prąd o natężeniu rzędu 0.13 mA.
