Rodzaje oświetlenia elektrycznego
Lampy elektryczne możemy podzielić, ze względu na rodzaj wykorzystanego zjawiska fizycznego podczas fazy wytwarzania światła, na następujące rodzaje:
- żarowe - zwane popularnie żarówkami. Za świecenie odpowiada w nich nagrzany drut wolframowy umieszczony w centralnym punkcie.
- fluorescencyjne - zwane świetlówkami. Zachodzi w nich tak zwana fluorescencja, polegająca na świeceniu odpowiednich substancji pod wpływem promieniowania ultrafioletowego i elektronów.
- wyładowcze - są one podzielone ze względu na rodzaj gazu który na skutek przepływu prądu elektrycznego zaczyna świecić. Jako gazu używamy najczęściej rtęci, sodu, neonu i ksenonu.
- hybrydowe - są to lampy w których światło otrzymywane jest w sposób mieszany, czyli na skutek oddziaływania dwóch zjawisk fizycznych. Na przykład można wykorzystać wyładowania elektryczne powodujące świecenie gazu oraz równolegle zjawisko świecenia ciała stałego na skutek odpowiednio wysokiej temperatury. Przykładowe lampy tego typu to: łukowe i rtęciowo - żarowe.
Jakości wypromieniowywanego światła mierzymy analizując poniższe współczynniki:
- Średni czas bezawaryjnej pracy źródła światła, nazywany również trwałością źródła, podawany zazwyczaj w godzinach.
- Skuteczność świetlna. Jest to stosunek natężenia promienia światła (w lumenach) do pobranej mocy (w watach).
Lampa fluorescencyjna
Na typową świetlówkę składa się szklana rura, w której umieszczono dwie elektrody (pokryte warstwą aktywną). Szklaną rurę wypełnia zazwyczaj argon wraz z parami rtęci pod bardzo niskim ciśnieniem. Pod wpływem zewnętrznej polaryzacji, zachodzi zjawisko wyładowań elektrycznych. W związku z przepływem prądu powstaje dosyć słaby strumień światła widzialnego i mocny, niewidzialny strumień promieniowania ultrafioletowego Jak zatem świetlówka świeci? Otóż wnętrze rury pokryte jest odpowiednio dobraną substancją fluorescencyjną, która tworzy warstwę zwaną powszechnie luminoforem. Promieniowanie ultrafioletowe padające na powierzchnię luminoforu wyzwala jego świecenie. Odpowiednio dobrany skład chemiczny determinuje barwę emitowanego światła.
Lampy fluorescencyjne w przeciwieństwie do lamp żarowych nie potrafią świecić same z siebie. Do ich poprawnego działania należy dołączyć do obwodu odpowiednie urządzenia. Jednym z takich urządzeń jest stabilizator prądu. Zazwyczaj w przypadku świetlówek zasilanych zmiennym napięciem sieciowym rolę stabilizatora pełni dławik (rdzeń ze stali krzemowej, na który nawinięto drut tworząc cewkę indukcyjną). Dławik ogranicza prąd płynący przez lampę fluorescencyjną i dodatkowo podczas zapłonu lampy chwilowo podwyższa napięcie. Kolejnym urządzeniem wymaganym tym razem jedynie do zapłonu jest zapłonnik. Zapłonnik przy współpracy z lampami fluorescencyjnymi o podgrzewanych katodach, na krótką chwilę zamyka obwód, po czym otwiera go ponownie.

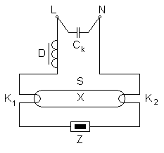
Zasada współpracy zapłonników ze świetlówkami jest przedstawiona na schemacie powyżej. Jeżeli przyłożymy napięcie do obwodu złożonego z dławika (D), katody (K1), zapłonnika (Z) i drugiej katody (K2), zaobserwujemy przepływ bardzo małego prądu, spowodowanego bardzo duża rezystancją zapłonnika. Stopniowo neon zawarty w zapłonniku zaczyna się nagrzewać i jarzyć. Bimetalowa blaszka podgrzewa się, przy czym następuje jej wygięcie i dotyk styku. Teraz opór zapłonnika niemal natychmiastowo maleje do zera. Duży prąd płynący przez obwód, jest ograniczany dławikiem i rezystancją katody K1 oraz katody K2. Katody zaczynają się nagrzewać. Blaszka bimetalowa w chwili zamknięcia zestyku zapłonnika zaczyna się stopniowo ochładzać, powracając na wyjściowe położenie. Prąd przestaje płynąć przez obwód. Należy zauważyć że tak nagła zmiana prądu płynącego przez element indukcyjny jakim jest dławik, powoduje powstanie na nim napięcia samoindukcji o dużej wartości dochodzącej nawet do kilkuset woltów. Napięcie sieci i SEM samoindukcji dodają się powodując wytworzenie między katodami K1 i K2 bardzo wysokiego napięcia, co inicjuje akcję wyładowań elektrycznych w rurze.
W przypadku niezainicjowania akcji zapłonu świetlówki, proces będzie powtarzany, aż do momentu w którym świetlówka się zapali. Gdy już zacznie płynąć prąd w rurze, pomiędzy katodami będzie utrzymywało się napięcie odpowiednio niższe od napięcia zapłonu. Nie ma potrzeby jarzenia się gazu zapłonnika, blaszka bimetalowa nie nagrzewa się i pozostaje w wyjściowym położeniu. Ponieważ lampa fluorescencyjna jest zasilana prądem przemiennym, konieczne staje się użycie kondensatora Ck. Jest on wykorzystywany do odpowiedniego zmniejszania mocy biernej którą pobiera dławik o wysokiej indukcyjności. Współczynnik mocy zostaje zwiększony, przez co zmniejsza się pobór prądu, który płynie do świetlówki z sieci elektrycznej.
Podczas zasilania lampy fluorescencyjnej z sieci o częstotliwości 50 Hz, gaśnie ona a następnie zapala się nawet 100 na sekundę. Taka szybkość zmian strumienia świetlnego nie może być zaobserwowana przez oko ludzkie, dlatego wydaje nam się, że świetlówki świecą światłem ciągłym. Gdy oświetlimy takim światłem części maszyn, które się obracają, oko ludzkie stwarza wrażenie nieruchomości lub prędkości o wiele mniejszej. To złudzenie optyczne jest nazywane zjawiskiem stroboskopowym. Aby zmniejszyć to niepożądane zjawisko stosuje się współpracę kilku lamp fluorescencyjnych, tak aby podczas momentu zgaszenia jednej ze świetlówek, inne świeciły, oferując znaczny strumień świetlny Realizacja praktyczna takiego układu świetlówek polega na zasilaniu ich napięciem o wzajemnie przesuniętej fazie. W przypadku zasilania jednofazowego należy sztucznie stworzyć drugą fazę wykorzystując w jednej z lamp fluorescencyjnych podwójnego dławika oraz współpracującego z nim kondensatora. Po takich zabiegach zjawisko stroboskopowe zostaje niemal wyeliminowane, jakiekolwiek wahania natężenia emisji światła w czasie zostają zminimalizowane.
W porównaniu skuteczności świetlnej lamp fluorescencyjnych i lamp żarowych, zdecydowanie lepiej wypadają te pierwsze. Dają bardzo jasne światło o odpowiednim natężeniu, a przy tym pobierają o wiele mniej mocy. Dla przykładu świetlówka świecąca światłem analogicznym jak żarówka o mocy 100W pobiera tej mocy jedynie około 20W. Nie istnieje również konieczność stosowania kloszy do rozpraszania światła, iluminacja jest bardzo mała. Znakomitą zaletą w stosunku do lamp żarowych jest również trwałość wynosząca od 3000 do 6000 godzin, w zależności jak często lampa była włączana.
Lampy żarowe
Jak zostało wyżej napisane, za świecenie odpowiada umieszczony w bańce szklanej drut wolframowy. Żarnik ten jest wykonany jako skrętka jednoskrętna albo dwuskrętna. Wybór wolframu na żarnik jest podyktowany tym, iż metal ten oznacza się najwyższą znaną nam temperaturą topnienia, wynoszącą około 3380°C. Z bańki szklanej w której umieszczany jest drut wolframowy, zazwyczaj wypompowywane jest powietrze. Proces taki jest wykonywany zwłaszcza w przypadku lamp żarowych o mocy dosyć małej, wynoszących około 25W. W bańce szklanej otrzymujemy więc środowisko zbliżone do próżni. W przypadku żarówek o większych mocach, staje się konieczne stosowanie atmosfery gazowej, najczęściej argonowej lub kryptonowej. Gaz zawarty w bańce obniża ilość rozpylanego wolframu. Dzięki temu żarówka jest bardziej trwała i można stosować wyższe temperatury pracy drutu wolframowego. Rozpylony wolfram ma tendencję do osadzania się na wewnętrznej powierzchni bańki szklanej, powodując zwiększenie pochłaniania światła i stopniowe czernienie. Lampy żarowe charakteryzują się trwałością rzędu 1000 godzin. Po tym czasie skuteczność świetlna maleje do około 80% lub przepala się drut wolframowy uniemożliwiając dalsze świecenie.
Energia elektryczna jest doprowadzana do żarówki za pomocą trzonka. Najczęściej stosujemy jeden z dwóch rodzajów trzonków:
- Trzonki edisonowskie - zwane są również gwintowymi. Trzonki przeznaczone do lamp żarowych o mocy nie przekraczającej 200W posiadają gwint E27, natomiast trzonki przeznaczone dla żarówek o mocach 500W czy nawet 1000W posiadają gwint E40.
- Trzonki bagnetowe - mają największe zastosowanie wszędzie tam gdzie lampy żarowe narażone są na różnego rodzaju drgania. Wykorzystywane na przykład w przemyśle kolejowym.
Możemy podzielić żarówki ze względu na rodzaj użytej bańki szklanej. Wyróżniamy bańki:
- Przeźroczyste - charakteryzują się największą luminacją.
- Matowe - charakteryzują się mniejszą luminacją od baniek przeźroczystych.
- Opalizowane - posiadają mniejszą luminację w stosunku do baniek przeźroczystych.
- Mleczne - również w tym przypadku luminacja żarówki jest mniejsza.
Żarówki możemy podzielić ze względu na rodzaj zastosowania, na kilka rodzajów:
- Zwykłe żarówki do typowych celów oświetleniowych
- Żarówki sygnalizacyjne
- Żarówki iluminacyjne
- Żarówki samochodowe
- Żarówki górnicze
Dla poprawnej pracy żarówki istotna jest pewna stabilność napięcia sieciowego. Gdy podwyższymy napięcie, musimy się liczyć ze zmniejszeniem trwałości żarówki, chociaż strumień świetlny będzie większy. Obniżając napięcie wzrasta trwałość lampy żarowej, przy jednoczesnym spadku intensywności strumienia świetlnego. Statystycznie podwyższenie napięcia o około 5% powyżej nominalnego, może spowodować obniżenie trwałości lamp żarowych nawet o połowę, jednak otrzymujemy zysk 20% w intensywności strumienia świetlnego. Analogicznie obniżając napięcie o około 5% poniżej napięcia nominalnego, trwałość lampy żarowej wzrośnie dwukrotnie, zaś strumień świetlny zmaleje o 20%. Czas bezawaryjnej pracy żarówki możemy zwiększyć wprowadzając do atmosfery występującej w bańce szklanej gazy jodu albo boru. Z rozwiązaniem takim mamy do czynienia w przypadku żarówek halogenowych - zużycie włókna wolframowego staje się mniejsze i możliwy jest znaczny wzrost intensywności światła emitowanego przez żarówkę. Lampy halogenowe wykorzystywane są najczęściej w przemyśle samochodowym oraz w skomplikowanych urządzeniach projektorowych.
Lampa rtęciowa
Lampy rtęciowe świecą na skutek wyładowań elektrycznych zachodzących w parach rtęci. Główny element lampy rtęciowej stanowi jarznik. Jarznik jest bańką wykonaną ze szkła kwarcowego, która przepuszcza promieniowanie ultrafioletowe. Ponadto w skład jarznik wchodzą dwie główne elektrody i jedna, bądź dwie elektrody zapłonowe. Bańkę wypełniają argon lub neon, a ponadto (stąd też wzięła się nazwa tych lamp) niewielka ilość rtęci. Pary rtęci wraz z argonem i neonem emitują silne ultrafioletowe promieniowanie w czasie przepływu prądu. Bańka zewnętrzna (bez wypompowanego powietrza), pokryta od swojej wewnętrznej części luminoforem otacza jarznik. Podobnie jak w przypadku lamp fluorescencyjnych luminofor zamienia silną emisję promieniowania ultrafioletowego na promieniowanie świetlne widoczne ludzkim okiem. Również w tym wypadku do przyłączenia do sieci konieczne jest użycie stabilizatora prądu jakim jest dławik. Gdyby nie użyto jarznik lampa rtęciowa uległaby nieodwracalnemu uszkodzeniu.
Gdy przyłączymy lampę do cieci elektrycznej zachodzi akcja wyładowań między elektrodami: główną i zapłonową, a następnie pomiędzy dwoma głównymi elektrodami. Wadą rtęciówek jest niewątpliwie ich czas rozpalania - do osiągnięcia pełnej skuteczności świetlnej konieczne jest odczekanie kilku minut. Po wyłączeniu i ponownym włączeniu do sieci, zanim lampa rtęciowa zacznie się ponownie rozświetlać należy odczekać, aż jarznik częściowo ostygnie, wydłuża to jeszcze bardziej czas całkowitego rozświetlenia rtęciówki do pełnej jasności. Lampy rtęciowe wypadają jednak znacznie lepiej niż żarówki pod względem skuteczności świetlnej. Rtęciówki nie są tak wrażliwe na zmiany napięcia sieciowego jak żarówki. Po odchyleniu napięcia zasilania o 5% w stosunku do napięcia nominalnego, strumień światła zmienia się o 8%, podczas gdy trwałość rtęciówki nie ulega praktycznie żadnym zmianom.
Lampa rtęciowo - żarowa
W lampach rtęciowo - żarowych bańka stworzona ze szkła kwarcowego, w której znajdują się elektrody zapłonowe i główne, znajduje się w zewnętrznej bańce lampy. Dodatkowo w bańce ze szkła kwarcowego znajduje się żarnik, będący najczęściej drutem wolframowym. Jarznik rtęciowy jest połączony szeregowo z żarnikiem. Żarnik spełnia dodatkowo rolę stabilizatora oraz odpowiednio koryguje odcień światła, nadając mu barwy czerwone, bądź żółte. Nie ma przeszkód w podłączaniu tych lamp bezpośrednio do sieci, jednak właściwość ta jest opłacona niższą niż w przypadku lamp rtęciowych skutecznością świetlną.
