Pierwszy z zaprojektowanych przez nas układów jest ogranicznikiem napięcia o następującej zadanej charakterystyce:
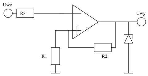
Charakterystykę tę realizuje układ przedstawiony na rysunku poniżej:
Obliczone wartości rezystorów: R1 = 2kΩ
R2 = 4kΩ
R3 = R1||R2 = 1,3kΩ
Dla Uwe > -2 układ zachowuje się jak klasyczny wzmacniacz odwracający o wzmocnieniu
ku = - R2/R1.
Dla Uwe < -2 napięcie wyjściowe zostaje ograniczone do 4V, dzięki umieszczeniu w pętli ujemnego sprzężenia zwrotnego połączonych szeregowo diod: Zenera (Uz = - 3,3V) oraz zwykłej diody prostowniczej (Ud = 0,7V).
Zgodnie z wytycznymi ćwiczenia przystąpiliśmy do pomiaru charakterystyki statycznej punkt po punkcie. W tym celu na wejście układu podaliśmy regulowane źródło napięcia stałego (od -10V do +10V). Wyjście natomiast podpięliśmy do woltomierza, otrzymując następujące punkty pomiarowe:
|
Uwe [V]
|
-10,5
|
-8
|
-5,5
|
-4,8
|
-2,3
|
-1
|
-0,52
|
0
|
0,5
|
0,9
|
1,9
|
2,9
|
3,85
|
4,85
|
6,1
|
|
Uwy [V]
|
4
|
4
|
3,95
|
3,75
|
3
|
2
|
1
|
0,1
|
-1
|
-2
|
-3,9
|
-6
|
-7,9
|
-9,9
|
-12,5
|
Uzyskaną charakterystykę oraz charakterystykę idealną przedstawia poniższy wykres:
Jak widać na wykresie, układ w prawidłowy sposób realizuje zadaną charakterystykę. Jedyne większe odstępstwo zaobserwować można w obszarze przejściowym, kiedy napięcie wyjściowe zbliża się do 4V zaczyna zależeć od układu diodowego. Projektując układ przyjęliśmy idealne charakterystyki diod Zenera i prostowniczej, a jak wiemy, tuż przy progu załączania, charakterystyki tych diod są nieliniowe, aproksymowane jedynie linią prostą. Przez tą nieliniowość niemożliwe staje się uzyskanie ostrego ograniczenia napięcia wyjściowego przy -2 V. Układ zachowuje się bardzo poprawnie prze Uwy > -2V, za sprawą niskich częstotliwości w których badaliśmy układ oraz odpowiednio dobranych oporników. Można zauważyć minimalnie większe wzmocnienie od zakładanego, spowodowane jest to prawdopodobnie niską dokładnością użytych oporników.
Wykorzystując tryb X-Y oscyloskopu oraz wkładkę specjalizowaną generatora przebiegu trójkątnego zaobserwowaliśmy następujące charakterystyki przejściowe zrealizowanego układu dla małych oraz dla dużych częstotliwości sygnału wejściowego:
f = 300Hz
f = 30kHz
Dla f = 300Hz i f = 3kHz układ poprawnie realizuje zadaną charakterystykę. Dla częstotliwości f = 10 kHz, zaczyna być zauważalny wpływ przekroczenia dopuszczalnej szybkości zmian napięcia wyjściowego Slew Rate, które dla μA741 wynosi około 0,5V/μs. Dla f = 30kHz efekt Slew Rate jest jeszcze bardziej widoczny. Do przyczyn zniekształcenia charakterystyki należy jeszcze dodać pojemności układu diodowego.
Drugi z zaprojektowanych przez nas układów jest dyskryminatorem progowym z pętlą histerezy o charakterystyce statycznej jak na rysunku:
Charakterystykę tę realizuje układ przedstawiony na rysunku poniżej:
Obliczone wartości rezystorów: R1 = 1kΩ
R2 = 2kΩ
R3 = R1||R2 = 660Ω
Mamy do czynienia z komparatorem odwracającym, w którym dzięki zastosowaniu diody Zenera na wyjściu otrzymaliśmy progi 5,1V i -0,7V.
Zgodnie z wytycznymi ćwiczenia przystąpiliśmy do pomiaru charakterystyki statycznej punkt po punkcie. W tym celu na wejście układu podaliśmy regulowane źródło napięcia stałego (od -10V do +10V). Wyjście natomiast podpięliśmy do woltomierza. Żeby zaobserwować pętlę histerezy najpierw zwiększaliśmy wartości napięcia wejściowego, a następnie je zmniejszaliśmy obserwując inny punkt progowy.
Otrzymaliśmy następujące punkty pomiarowe:
|
Zwiększanie Uwe
|
Zmniejszanie Uwe
| ||
|
Uwe [V]
|
Uwy [V]
|
Uwe [V]
|
Uwy [V]
|
|
-9,1
|
5,11
|
-9
|
5,11
|
|
-5,4
|
5,11
|
-5,1
|
5,11
|
|
-2,3
|
5,11
|
-2
|
5,08
|
|
0,8
|
4,8
|
-1,4
|
4,7
|
|
1,2
|
-0,6
|
-0,9
|
-0,64
|
|
3,5
|
-0,70
|
3
|
-0,70
|
|
8,6
|
-0,71
|
9
|
-0,71
|
Uzyskaną charakterystykę oraz charakterystykę idealną przedstawia poniższy wykres:
Jak widać na wykresie powyżej udało nam się uzyskać wyraźną pętlę histerezy i dosyć dobre odwzorowanie zadanej charakterystyki. Niestety zabrakło nam czasu aby dokładniej zbadać obszary przełączania, ale jak widać zaprojektowany układ działa jak powinien. Możemy zauważyć niewielkie zniekształcenia przy napięciach progowych, spowodowane jest to nieidealnością nieliniowego elementu jakim jest użyta przez nas dioda Zenera. Szerokość pętli histerezy jest niemalże taka sama jak zadana, większą dokładność można uzyskać stosując oporniki o większej klasie dokładności.
Wykorzystując tryb X-Y oscyloskopu oraz wkładkę specjalizowaną generatora przebiegu trójkątnego zaobserwowaliśmy następujące charakterystyki przejściowe zrealizowanego układu dla małych oraz dla dużych częstotliwości sygnału wejściowego:
f = 100Hz
Dla f = 100Hz i f = 1kHz układ poprawnie realizuje zadaną charakterystykę. Dla częstotliwości f = 7,5 kHz, zaczyna być zauważalny wpływ przekroczenia dopuszczalnej szybkości zmian napięcia wyjściowego Slew Rate, które dla μA741 wynosi około 0,5V/μs. Do przyczyn zniekształcenia charakterystyki należy jeszcze dodać pojemność diody Zenera dołączonej równolegle do wyjścia układu. Przy większych częstotliwościach pojemność ta nie jest w stanie w odpowiednim czasie się rozładować i naładować, przez co nie jesteśmy w stanie uzyskać stromej i odpowiednio szerokiej charakterystyki przejściowej.
