Krótka charakterystyka diody półprzewodnikowej
Dioda półprzewodnikowa jest elementem elektronicznym, wyposażonym w dwie elektrody, który posiada nieliniową charakterystykę prądu wyściowego w funkcji napięcia wejściowego. Symbol elektryczny diody półprzewodnikowej oraz jej charakterystykę wyjściową przedstawia poniższy rysunek.

Z powodu takiej charakterystyki diody, można ją stosować jako przyrząd przepuszczającym swobodnie prąd przy napięciu dodatnim oraz stanowiącym zaporę dla prądy płynącego w przeciwnym kierunku. Inaczej rzecz ujmując, dioda prostuje napięcie zmienne, przepuszczając jedynie dodatnie połówki sinusoidy. Diody półprzewodnikowe są oparte na właściwościach złącza p - n, które powstało poprzez złączenie ze sobą półprzewodników typu p oraz typu n. Wyróżniamy wiele rodzajów diod półprzewodnikowych, między innymi zwykłe diody prostownicze, diody tunelowe, diody Zenera, fotodiody, diody pojemnościowe oraz diody luminescencyjne.
Złącze p - n
Złącze p - n powstaje w momencie wytworzenia w krysztale półprzewodnika obszarów domieszkowanych o odmiennym typie przewodnictwa: obszaru typu p oraz obszaru typu n. Koncentracje nośników ładunku, w poszczególnych obszarach przedstawia poniższy rysunek.

Koncentracja swobodnych elektronów w obszarze typu n jest znacznie większa niż w obszarze typu p. Dlatego elektrony występujące w obszarze typu n nazywane są nośnikami większościowymi, natomiast elektrony występujące w obszarze typu p nazywamy nośnikami mniejszościowymi. Sytuacja w przypadku dziur prezentuje się odwrotnie, czyli dziury występujące w obszarze typu n nazywamy nośnikami mniejszościowymi, natomiast dziury występujące w obszarze typu p nazywamy nośnikami większościowymi.
Łącząc ze sobą dwa obszary typu p oraz typu n inicjuje się dyfuzję nośników większościowych do obszarów o mnejszej koncentracji ładunku. Następuje więc dyfuzja elektronów z obszaru typu n do obszaru typu p, oraz dyfuzja dziur z obszaru typu p do obszaru typu n. Dyfuzja ta jest przedstawiona na kolejnym rysunku.

Na drodze dyfuzji w warstwie granicznej powstałej pomiędzy dwoma obszarami, po stronie obszaru n następuje zanik elektronów swobodnych. Pozostałe elektrycznie dodatnie jony donorów tworzą dodatni ładunek przestrzenny w tym obszarze. Analogocznie po stronie obszaru p niedostatek nośników większościowych w postaci dziur powoduje powstanie ujemnego ładunku przestrzennego. Obszar na styku obu obszarów półprzewodnikowych, w którym występuje zmniejszona koncentracja nośników większościowych nazywamy obszarem zubożonym. Schemat obszaru zubożonego jest pokazany na rysunku ponizej.

W obszarze złącza, w wyniku istnienia ładunku przestrzennego o przeciwnym potencjale, indukuje się pole elektryczne i powstaje bariera potencjału. Powstałe pole elektryczne przeciwdziała dyfuzji nośników większościowych powyżej pewnego poziomu, natomiast zwiększa przepływ nosników mniejszościowych, czyli elektronów swobodnych z obszaru typu p do obszaru typu n, oraz dziur z obszaru typu n do obszaru typu p. Rysunek bariery potencjału jest przedstawiony poniżej.

Polaryzacja złącza p - n
W przypadku kiedy do elektrod nie jest przyłożone zewnętrzne pole elektryczne, zachodzi stan równowagi dynamicznej. Prądy dyfuzyjne i nośników mniejszościowych powstałych z powodu powstania ładunku w pełni się równoważą. Jeżeli do złącza p - n przyłożone zostanie dodatnie napięcie, czyli biegun dodatni źródła połączymy z obszarem typu p, natomiast biegun ujemny z obszarem typu n, to nastąpi obniżenie bariery o wartość napięcia polaryzującego. Dzięki obniżeniu wartości bariery potencjału znacznie zwiększa się dyfuzyjny prąd elektronów z obszaru typu n do obszaru typu p, oraz dyfuzyjny prąd dziurowy z obszaru typu p do obszaru typu n. Polaryzacja tego typu jest nazywana polaryzacją w kierunku przewodzenia, z powodu zwiększeniu zdolności przewodzenia prądu oraz zmniejszeniu rezystancji wewnętrznej. Jeżeli diodę spolaryzujemy w odwrotny sposób, czyli podłączymy biegun dodatni do obszaru typu n oraz biegun ujemny do obszaru typu p, to bariera potencjału zostanie powiększona o wartość napięcia polaryzującego. Powoduje to drastyczne zahamowanie dyfuzyjnego przepływu nośników większościowych. Ten sposób polaryzacji nazywamy polaryzacją w kierunku zaporowym. Jedyny prąd jaki przepływa wtedy przez złącze jest niewielkim prądem wstecznym spowodowanym ruchem nośników mniejszościowych. Polaryzacja w kierunku zaporowym oznacza ogromny wzrost rezystancji wewnętrznej przy przepływie prądu w tym kierunku. Wsteczny prąd nośników mniejszościowych zależy głównie od temperatury złącza, ponieważ jego główną składową stanowi prąd termiczny.
| 
                                                                                
                                                                             
 
  |  
                                                                                
                                                                             
 
  |  
| 
                                                                                
                                                                             Polaryzacja złącza p - n w kierunku przewodzenia 
  |  
                                                                                
                                                                             Polaryzacja złącza p - n w kierunku zaporowym 
  |  
Dioda prostownicza
Dioda prostownicza wytwarzana jest na płytce monokryształu krzemu lub germanu, korzystając z technologii dyfuzyjnej. Charakterystyka diody prostowniczej w różnych temperaturach wykazuje spadek napięcia w zakresie przewodzenia rzędu 1,4V, natomiast w zakresie zaporowym przez diodę przepływa niewielki wsteczny prąd nośników mniejszościowych, który jest silnie zależny od temperatury występującej na złączu. Jeżeli przekroczona zostanie określona wartość wstecznego napięcia Umax, to niewielki dotychczas prąd wsteczny silnie narasta powodując w efekcie trwałe uszkodzenie diody. Temperatura złącza dopuszczalna dla diod krzemowych przyjmuje wartość maksymalną rzędu 150°C, natomiast w przypadku diod germanowych liczba ta oscyluje w granicach 90°C. Stosując diody prostownicze o dużej mocy, zaopatruje się je zazwyczaj w odpowiedniej wielkości radiatory, które odbierają ciepło z diody i są odpowiednio schładzane przez powietrze. Charakterystyki diody prostowniczej w stanie przewodzenia i zaporowym są przedstawione na poniższym rysunku. Należy zwrócić uwagę na skale obu osi, które oddają zachowanie diody opisane powyżej.

Dioda Zenera
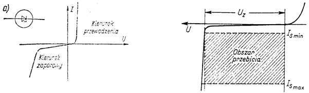
Dioda Zenera jest specjalną diodą krzemową, w której pracy wykorzystywane jest zakrzywienie charakterystyki napięciowo - prądowej w obszarze przebicia diody. Praca w obszarze przebicia nie jest szkodliwa dla diody Zenera, o ile nie przekroczy się mocy admisyjnej diody. Powodem znacznego wzrostu prądu diody, jest duży wzrost natężenia pola elektrycznego, które występuje w warstwie zaporowej. Wywołuje ono dwa zjawiska fizyczne: jonizację lawinową oraz jonizację Zenera. Jeżeli zanalizujemy diody o wąskich złączach, które powstają przy bardzo silnym domieszkowaniu, dla napięć rzędu kilku Voltów, powstające pole elektryczne posiada już tak duże natężenie, że następuje jonizacja Zenera. Polega ona na przechodzeniu mniejszościowych elektronów z pasma walencyjnego półprzewodnika typu p, poprzez barierę potencjału, do pasma przewodnictwa półprzewodnika typu n. Jonizacja lawinowa występuje z kolei w złączach szerokich, gdzie zastosowano niewielki profil domieszkowania. Polega ona na bombardowaniu atomów sieci krystalicznej przez elektrony o dużej energii, co powoduje lawinowe tworzenie się coraz co nowych nośników, które zwiększają znacząco prąd wsteczny diody. Napięcie wsteczne diody Zenera - UZ, przy którym charakterystyka prądowo - napięciowa w zakresie zaporowym gwałtownie się nachyla, zależy głównie od rezystywności jaką cechuje się użyty materiał krzemowy. Napięcie to zazwyczaj wynosi od kilku do kilkudziesięciu Volt. Spadek napięcia na diodzie Zenera znajdującej się w obszarze przebicia jest nazywany napięciem stabilizacji, ponieważ w zasadzie, w pewnych granicach, nie jest ono zależne od wartości prądu płynącego przez diodę. Zależy ono jedynie od dynamicznej rezystancji rZ, która wyraża sobą stosunek wzrostu napięcia stabilizacji DUS i przyrostu przepływającego prądu DIS. Podsumowując wzór na rezystancje dynamiczną przedstawia się w następującej postaci: rZ= DUS/DIS. Rzeczywista wartość rezystancji dynamicznej charakterystycznej dla zakresu stabilizacji jest bardzo mała, z tego powodu przyjmuje się, że napięcie stabilizacji równe jest co do wartości napięciu Zenera - UZ. Wartość maksymalna prądu przy której dioda Zenera pracuje bez uszkodzeń - Imax, ograniczona jest mocą dopuszczalną Pmax która może się wydzielać na diodzie, zgodnie ze wzorem Ismax = Pmax / Uz. Diody Zenera są powszechnie stosowane, w różnego rodzaju układach stabilizacyjnych, układach ograniczających napięcie, są również stosowane jako stabilne źródło napięcia referencyjnego. Na rysunku poniżej przedstawiona jest cała charakterystyka diody Zenera oraz bardziej szczegółowa charakterystyka obszaru przebicia diody.

Dioda Tunelowa
Dioda tunelowa jest dioda półprzewodnikową, w której dzięki bardzo dużej koncentracji domieszek, wytworzona zostaje niezwykle wąska bariera potencjału, która pozwala na zaistnienie zjawiska przejścia tunelowego przez wspomnianą barierę. Analizując charakterystykę prądowo - napięciową diody tunelowej, można zauważyć gałąź, która odpowiada ujemnej rezystancji dynamicznej. Rezystancja jest ujemna ponieważ przy dodatnim wzroście napięcia mamy ujemny przyrost prądu. Przejście elektronów przez barierę potencjału występuje zarówno w przypadku polaryzacji wstecznej, jak również w przypadku małych napięć polaryzujących dodatnio. Przy dalszym zwiększaniu napięcia, można zaobserwować stopniowy zanik przechodzenia elektronów przez barierę potencjału, z powodu małego pola elektrycznego. Dioda tunelowa wzięła swoją nazwę z fizycznej interpretacji zjawisk, które zachodzą w złączu. Elektrony nie mogą bowiem w normalny sposób przejść powyżej bariery potencjału, przechodzą one "tunelem" poniżej bariery. Diody tunelowe są powszechnie stosowane we wzmacniaczach wysokiej częstotliwości.
Symbol elektryczny diody tunelowej oraz jej charakterystyka są przedstawione na rysunku poniżej.

Fotodioda
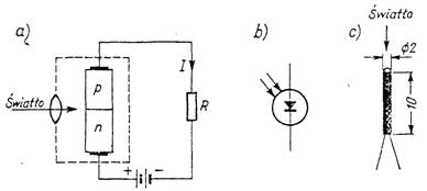
Fotodioda jest złączem p - n, które wykrozystuje zjawisko generowania nośników mniejszościowych, pod wpływem energii dostarczanej przez światło. Fotodioda spolaryzowana jest stałym napięciem w kierunku zaporowym i jest oświetlona przez specjalne okienko umieszczone w obudowie obszarzu złącza diody Kiedy fotodioda nie jest oświetlona przepływa przez nią niewielki wsteczny prąd, nazywany prądem ciemnym, który powstaje wskutek istnienia termicznie generowanych nośników mniejszościowych w obszarze złącza. Poprzez oświetlenie fotodiody zarówno w obszarze złącza, jak i na granicy pomiędzy obszarami typu p oraz n, wzrasta znacznie liczba nośników mniejszościowych, powodując zwiększenie natężenia prądu płynącego w obwodzie. Dzieje się tak dlatego, że kwant energii padając na obszar złącza dostarcza elektronom energię, powodując powstawanie par elektron - dziura. Fotodiody najczęściej wykonywane są z krzemu lub germanu. Czynnikiem przemawiającym za stosowaniem germanu jest większy, w porównaniu do krzemu, prąd fotoelektryczny który może być generowany. Zaletą krzemu z kolei jest mniejsza wartość prądu ciemnego. Największa czułość fotodiody występuje dla promieniowania o długości fali odpowiadającej 0,7 mm dla krzemu oraz 1.5 mm dla germanu. Na rysunkach poniżej przedstawiono schemat układu pracy fotodiody, jej symbol elektryczny oraz widok zewnętrzny.

| 
                                                                                
                                                                             
 
  |  
                                                                                
                                                                             
 
  |  
| 
                                                                                
                                                                             Charakterystyki prądowo - napięciowe fotodiody germanowej 
  |  
                                                                                
                                                                             Widmowe charakterystyki fotodiody krzemowej oraz germanowej 
  |  
Diody elektroluminescencyjne LED
Elektroluminescencja diod półprzewodnikowych polega na wytworzeniu światła, które powstaje pod wpływem zewnętrznej polaryzacji elektrycznej, dzięki której w obszarze złącza p - n dochodzi do rekombinacji elektronów i dziur, powodując świecenie. Przez spolaryzowane w kierunku przewodzenia złącze nośniki mniejszościowe przedostają się do obszaru w którym możliwa jest łatwa ich rekombinacja z nośnikami większościowymi. Przy przejściu elektronu z wyższego stanu energetycznego na niższy stan energetyczny, uwalniana jest energia, która przyjmuje postać emisji świetlnej. Diody elektroluminescencyjne dzieli się na próżniowe, półprzewodnikowe oraz gazowane. Najczęściej stosowanym materiałem półprzewodnikowym jest GaAs - arsenek galu. Częstotliwość promieniowania tego półprzewodnika leży w zakresie podczerwieni. Odpowiednio stosując domieszki fosforu możliwe jest przesunięcie częstotliwości promieniowania w rejon pasma widzialnego okiem ludzkim. Zależnie od materiału użytego do produkcji diody, otrzymywane są diody świecące na czerwono, niebiesko, zielono itd. Diody LED są powszechnie stosowane w kalkulatorach, przyrządach pomiarowych i zegarkach. Bardzo popularne stały się wyświetlacze siedmiosegmentowe oparte na diodach LED. Opisywane diody są powszechnie stosowane jako wskaźniki, a to ze względu na ich bardzo dużą wydajność oraz trwałość. Poniższe rysunki przedstawiają budowę diody elektroluminescencyjnej, jej symbol elektryczny, charakterystykę prądowo - napięciową oraz wykres zależności mocy promienistej od prądu.

Dioda pojemnościowa - warikap
Dioda pojemnościowa swoją strukturą złącza przypomina zwykły płaski kondensator. Okładki tego tranzystora stanowią obszary półprzewodnikowe typu p oraz typu n, które cechuj mała rezystywność. Dielektrykiem jest warstwa zaporowa złącza. Pojemność złącza możemy zmieniać przez zmianę szerokości warstwy zaporowej. Zmiana ta jest możliwa poprzez odpowiednią manipulacje zewnętrznym napięciem polaryzującym w kierunku zaporowym. W chwili w której napięcie zaporowe wzrasta, obszar dielektryczny złącza rozszerza się, powodując zmniejszenie pojemności złącza. Podobny efekt uzyskuje się w przypadku kondensatora po rozsunięciu jego okładek. Przy zerowym napięciu polaryzującym pojemność którą posiada warikap jest największa. Przy wzroście napięcia polaryzującego złącze zaporowo, pojemność maleje. Warikapy są wykonywane jako diody krzemowe i wykorzystuje się je do automatycznego strojenia obwodów rezonansowych, głównie w układach wzmacniających.




