Wstęp
Podczas doświadczenia mierzyliśmy współczynnik oporu właściwego dla czystego metalu, dla półprzewodnika domieszkowanego oraz dla stopu wieloskładnikowego. W przypadku metali powinniśmy zaobserwować wzrost oporu właściwego z temperaturą, ponieważ im wyższa temperatura, tym silniejsze są drgania sieci krystalicznej, które rozpraszają prąd elektryczny przez skrócenie tzw. drogi swobodnej elektronów - elektrony częściej zderzają się z atomami.
Dla półprzewodników powinniśmy zaobserwować spadek współczynnika oporu właściwego z temperaturą. Wzrost temperatury powoduje, że więcej elektronów przechodzi z zapełnionego pasma walencyjnego do pustego pasma przewodnictwa, przez co jest więcej nośników prądu.
W przypadku stopu wieloskładnikowego powinniśmy zaobserwować mniej więcej stały współczynnik oporu właściwego, niezależny od temperatury w badanym zakresie.
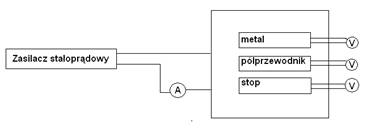
Do badania oporu właściwego używamy układu pomiarowego przedstawionego na rysunku poniżej:

Do wszystkich pomiarów używano jednakowych mierników, których błąd pomiarowy wynosił 0,001 kW. Dla półprzewodnika używano zakresu 10 kW. W przypadku pomiarów oporu stopu i metalu stosowano zakres 1 kW.
Wyniki pomiarów
|
T [°C]
|
RMetal [kW]
|
RPółprzewodnik [kW]
|
RStop [kW]
|
|
20
|
0,127
|
1,356
|
0,045
|
|
25
|
0,132
|
1,345
|
0,046
|
|
30
|
0,135
|
1,338
|
0,045
|
|
35
|
0,140
|
1,326
|
0,043
|
|
40
|
0,146
|
1,311
|
0,046
|
|
45
|
0,149
|
1,299
|
0,045
|
|
50
|
0,154
|
1,293
|
0,046
|
|
55
|
0,159
|
1,286
|
0,046
|
|
60
|
0,163
|
1,275
|
0,044
|
Z otrzymanych danych z pomiarów oporu elektrycznego sporządzono wykresy:
Dla metalu:

Z wykresu odczytano wartość R0 przez ekstrapolację (dopasowanie prostej regresji) wyników pomiarowych. Wartość R0 wynosi 0,127 kW. Dzięki temu można wyznaczyć temperaturowy współczynnik zmian oporu a:
a = A/R0 = 7,14×10-3.
Dla półprzewodnika sporządziliśmy wykres zależności lnR od 1/T. Wykres ten powinien być linią prostą o dodatnim współczynniku nachylenia. Wykres zamieściliśmy poniżej:

Wykres ten nie jest zbyt dokładny, ponieważ dokonane przez nas pomiary są bardzo rozbieżne. Jednak do wykresu dopasowano prostą regresji i wyznaczono z niej współczynnik kierunkowy: B = 1,85. Stała B jest równa energii aktywacji elektronów w półprzewodniku: lnR = Ea/(kBT), gdzie kB to stała Boltzmanna. Na tej podstawie możemy napisać B = Ea/ kB, czyli Ea = BkB. Po obliczeniu otrzymaliśmy wynik Ea = 4,2 eV. Energia aktywacji jest jednocześnie szerokością przerwy energetycznej w półprzewodniku.
Kolejną rzeczą, jaką policzyliśmy dla półprzewodnika, jest współczynnik zamian oporu z temperaturą. Współczynnik ten zmienia się wraz z temperaturą, dlatego wykres R(T) dla półprzewodnika nie jest linią prostą. Współczynnik ten policzyliśmy ze wzoru a = -B/T2. Wyniki obliczeń zamieściliśmy w tabeli:
|
T [K]
|
293,15
|
298,15
|
303,15
|
308,15
|
313,15
|
318,15
|
323,15
|
328,15
|
333,15
|
|
a
|
0,00463
|
0,00296
|
0,00206
|
0,00151
|
0,00116
|
9,1358E-4
|
7,4E-4
|
6,1157E-4
|
5,13889E-4
|
Dla tej zależności sporządzono wykres i zamieszczono go poniżej:

Widać wyraźnie, ze współczynnik ten rośnie i dlatego opór elektryczny półprzewodników rośnie z temperaturą coraz wolniej - im wyższa temperatura, tym wolniejsza zmiana oporu elektrycznego.
Na koniec zamieściliśmy wykres R(T) dla stopu:

Widać, że opór elektryczny stopu nie zmienia się prawie w ogóle, a niewielkie różnice wynikają z niedokładności pomiarowych. Opór elektryczny stopu jest znacznie mniejszy niż opór metalu i półprzewodnika - stop jest znacznie lepszym przewodnikiem.
Podsumowanie doświadczenia:
Podczas doświadczenia mierzyliśmy opór elektryczny metalu, półprzewodnika domieszkowanego i stopu. Pomiary przeprowadzaliśmy za pomocą mierników oporu elektrycznego. Niestety, nie udało nam się uniknąć błędów pomiarowych, przez co niektóre wykresy, zwłaszcza dla półprzewodnika, są mało dokładne. Mimo to udało nam się wyciągnąć kilka wniosków z doświadczenia. Po pierwsze, opór elektryczny metalu rośnie wraz z temperaturą. Jest to spowodowane coraz większymi drganiami atomów ze wzrostem temperatury, które powodują rozpraszanie elektronów i hamowanie przepływu prądu elektrycznego. Dla półprzewodnika ze wzrostem temperatury opór elektryczny maleje. Z pomiarów można wyznaczyć energię aktywacji nośników prądu, czyli elektronów. Energia ta jest równa szerokości przerwy energetycznej półprzewodnika. Opór elektryczny stopu jest prawie stały, i bardzo mały w porównaniu z oporem elektrycznym czystego metalu i półprzewodnika.
